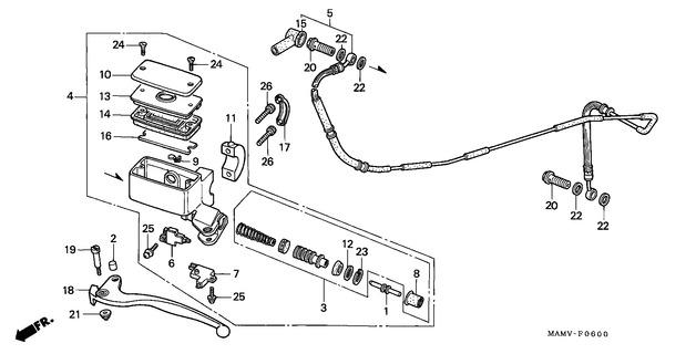
Honda GL1500AX (1999) F-06 CLUTCH MASTER CYLINDER

F-06 CLUTCH MASTER CYLINDER